Насос БЦН (БЦН-1; БЦН-2) в наличии на складе в Санкт-Петербурге.
Для заказа и консультации позвоните нам по тел:.
+79817619558;
Напишите Ваш запрос на электронную почту:
n-zip78@yandex.ru.
*Стоимость и внешний вид товара на момент заказа может отличаться от указанных на сайте.
Расшифровка БЦН:
Б - бензиновый (перекачиваемая жидкость)
Ц - центробежный
Н - насос
Технические характеристики
| № | Характеристика | Значение |
| 1 | Требуемое напряжение, В | 24-27 |
| 2 | Вес, кг | 2.8 |
| 3 | Материал корпуса | Алюминий |
| 4 | Перекачиваемое топливо | Бензин |
| 5 | Страна производитель | Россия |
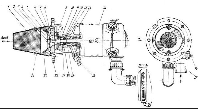
Схема насоса БЦН-1;2

1- сетчатый рассекатель; 2,21 - гайка; 3 - шплинт; 4 - шайба; 5 - втулка; 6 - пропеллер; 7 - шпонка; 8,24 - винты; 9 - крыльчатка; 10 - шайба регулировочная; 11 - втулка; 12 - манжета; 13 - конус; 14 - корпус; 15 - электродвигатель Д-100; 16 - заглушка; 17 - отводящий патрубок; 18 - штуцер; 19 - отражатель; 20 - пружина манжеты; 22 - крышка; 23 - переходник.
Описание
При работе дизельного двигателя на дизельном топливе, его подача в топливный насос высокого давления (ТНВД) осуществляется за счет естественного разрежения. Однако, когда двигатель переключается на бензин, ситуация меняется. Легкоиспаряемый бензин, попадая в зону разрежения, склонен к образованию паровых пузырьков. Эти пузырьки могут серьезно нарушить нормальную работу ТНВД и, как следствие, самого двигателя, приводя к сбоям и потере мощности.
Для предотвращения образования паровых пробок на входе в ТНВД и обеспечения стабильной подачи топлива, и был разработан насос БЦН. Он создает необходимое избыточное давление (подпор) бензина перед ТНВД, тем самым исключая возможность парообразования.
Особенности эксплуатации:
Предварительная подкачка: Для гарантированного запуска двигателя, работающего на бензине, подкачка топлива насосом БЦН начинается за одну минуту до старта.
Непрерывная работа: Если дизельный двигатель функционирует на бензине, БЦН остается включенным на протяжении всего времени работы, обеспечивая постоянную и надежную подачу топлива.
Таким образом, бензиновый центробежный насос (БЦН) является ключевым элементом, гарантирующим стабильную и эффективную работу многотопливных дизельных двигателей на бензине, предотвращая критические сбои в топливной системе. При работе многотопливного двигателя на дизельном топливе БЦН включается только непосредственно перед пуском двигателя для создания давления в магистрали.
Вы можете приобрести насосы БЦН-1; БЦН-2 и их модификации с доставкой в любой регион России, такой как: Новосибирск, Екатеринбург, Казань, Нижний Новгород, Челябинск, Самара, Омск, Ростов-на-Дону, Уфа, Красноярск, Воронеж, Пермь, Волгоград, Саратов, Тюмень, Тольятти, Ижевск, Барнаул, Ульяновск, Иркутск, Хабаровск, Ярославль, Владивосток, Махачкала, Оренбург, Томск, Кемерово, Новокузнецк, Рязань, Астрахань, Набережные Челны, Пенза, Липецк, Киров, Тула, Чебоксары, Калининград, Курск, Ставрополь, Тверь, Магнитогорск, Иваново, Брянск, Белгород, Сочи, Нижний Тагил, Архангельск, Владимир, Калуга, Смоленск, Чита. Подробнее в разделе "Доставка и оплата"
Поделиться с друзьями: